尊龙凯时(中国)人生就是搏! 官网尊龙凯时-人生就是搏

股票简称:尊龙凯时-人生就是搏药业 | 股票代码:300199

2022年第一季度三废检测报告(南山总部)

2022年第一季度三废检测报告_00

2022年第一季度三废检测报告_01

2022年第一季度三废检测报告_02

2022年第一季度三废检测报告_03

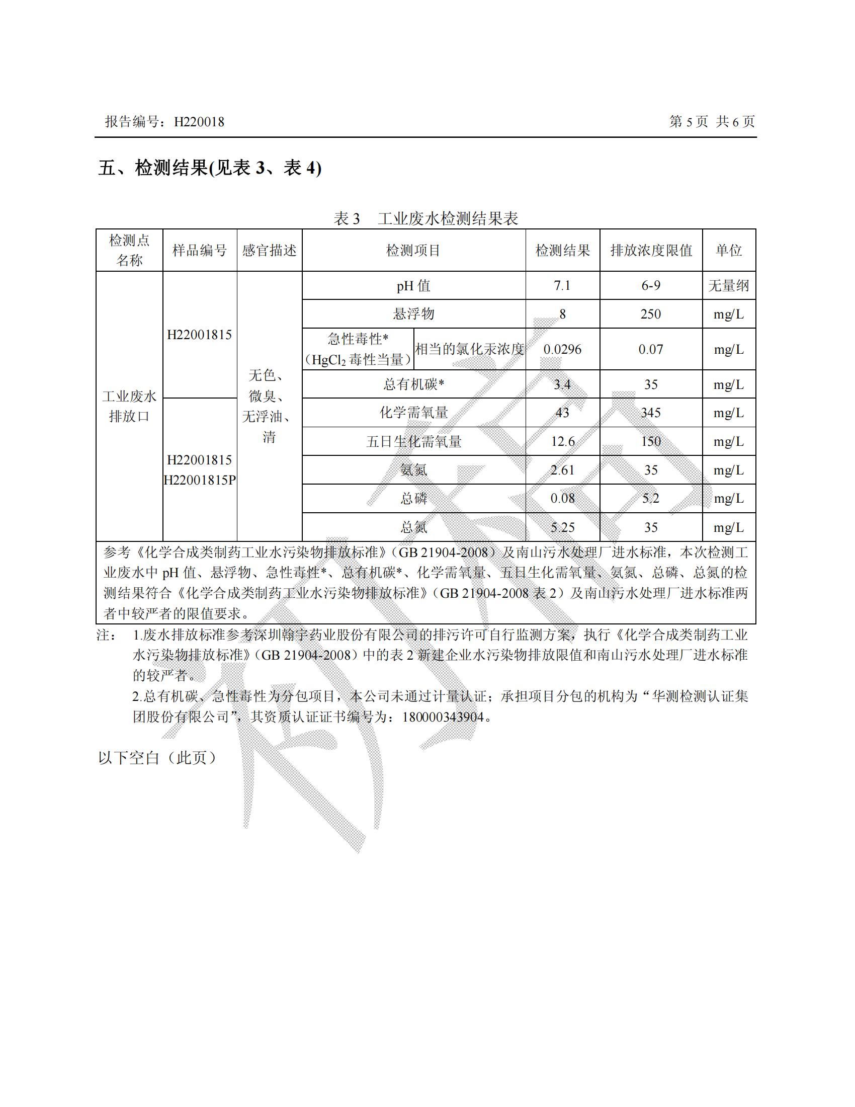
2022年第一季度三废检测报告_04

2022年第一季度三废检测报告_05

2022年第一季度三废检测报告(补充)_00

2022年第一季度三废检测报告(补充)_01

2022年第一季度三废检测报告(补充)_02

2022年第一季度三废检测报告(补充)_03

2022年第一季度三废检测报告(补充)_04

2022年第一季度三废检测报告(补充)_05

尊龙凯时-人生就是搏